A Guide to Commercial Building Fire Alarm Systems
Nothing brings a new construction timeline to a screeching halt quite like a failed inspection. After months of hard work and significant investment, the final hurdle before you can open your doors is the Certificate of Occupancy, and the fire marshal holds the key. A fire alarm system that isn’t perfectly compliant with Georgia’s specific codes is one of the most common reasons for costly delays. Navigating the nuances of NFPA standards, local AHJ requirements, and the technical details of commercial building fire alarm systems can feel overwhelming. This article is your roadmap to getting it right the first time, ensuring your system passes inspection and your project stays on schedule.
Key Takeaways
- New commercial construction in Georgia requires specific fire alarm systems governed by NFPA codes and local AHJ regulations.
- System design and installation must align with building occupancy, size, and use, integrating essential components from initial construction phases.
- Professional installation, monitoring, inspection, and certification are critical for compliance and occupancy approval.
- Effective fire alarm systems seamlessly integrate with comprehensive commercial security, access control, and camera systems.

Why Are Fire Alarms Essential for New Georgia Buildings?
When planning a new commercial construction project in Georgia, from a high-rise in Buckhead to a warehouse in Kennesaw, the fire alarm system isn’t just another item on a checklist; it’s a foundational component of safety, compliance, and business continuity. For developers, architects, and business owners, understanding the gravity of these systems from day one is essential. The primary mandate is life safety; a properly designed and installed system provides early warning, enabling swift evacuation for employees and customers. Beyond the critical human element, these systems are your first line of defense in property protection. A fire can devastate a new building, leading to catastrophic financial loss. An effective alarm system mitigates this risk by ensuring a rapid response from emergency services. Furthermore, compliance is not optional. Georgia’s building codes and insurance carriers require certified Commercial Fire Alarm Systems to be in place before an occupancy permit is issued. Failure to comply can result in project delays, fines, and significant legal and financial liabilities.
What Are Georgia’s Fire Alarm Codes for New Construction?
The regulatory landscape for commercial fire alarm systems in Georgia is governed by a hierarchy of codes and standards. At the top are national guidelines that the state has adopted, primarily the National Fire Protection Association (NFPA) codes. These are supplemented by state-level adoptions of the International Building Code (IBC) and International Fire Code (IFC). Finally, local municipalities have their own Authority Having Jurisdiction (AHJ), typically the local fire marshal, who has the final say on interpretation and enforcement. Building occupancy classifications, which define how the building will be used (e.g., office, retail, storage), are a major factor that dictates the specific requirements of the fire alarm system.
Understanding NFPA Standards and Georgia’s State Codes
The cornerstone of fire alarm regulations is NFPA 72, the National Fire Alarm and Signaling Code. This comprehensive document outlines the minimum requirements for the design, installation, inspection, and testing of fire alarm systems. It details everything from the proper placement of smoke detectors to the audibility levels of notification devices. Georgia adopts these codes, ensuring a consistent standard of safety across the state. Our Commercial Fire Safety Guide offers more insight into these crucial standards. Your construction team needs to work with a provider who is deeply familiar with both the national codes and any specific amendments adopted by the state of Georgia.
What Is the AHJ’s Role in Your Project?
While the NFPA and IBC provide the rulebook, the local Authority Having Jurisdiction is the referee. The AHJ in your specific location, be it Atlanta, Roswell, or Marietta, is responsible for reviewing your fire alarm system plans, inspecting the installation, and giving the final approval. Their interpretation of the code is paramount. An experienced fire alarm partner will have established relationships with local AHJs throughout North Georgia, understanding their specific expectations and processes. This relationship is invaluable for streamlining the approval process and avoiding costly delays in your construction timeline.
Other Relevant Safety Codes (OSHA & ADA)
Ensuring Employee Safety with OSHA
Beyond the fire marshal’s office, other federal regulations also come into play. The Occupational Safety and Health Administration (OSHA) sets and enforces standards to ensure safe and healthful working conditions for every employee. This mission directly extends to fire safety. OSHA compliance is crucial for protecting your team from fire hazards, which includes making sure your fire alarm systems are correctly installed and consistently maintained. Working with a provider who understands these standards ensures your new construction project not only meets building codes but also creates a genuinely safe environment for your future staff. Proper NFPA fire alarm services are a key part of fulfilling this responsibility from day one.
Accessibility Requirements under the ADA
Safety for everyone means everyone. The Americans with Disabilities Act (ADA) sets the standard for accessibility in commercial spaces, and this absolutely includes your emergency systems. The ADA requires that fire alarm systems include both audible and visual alarms, like horns and strobes, to ensure that all individuals, including those with hearing impairments, are alerted in the event of a fire. This isn’t just about checking a box; it’s about creating an inclusive environment where every person has an equal opportunity for a safe exit during an emergency. The systems and products used in your new build must be selected and placed to meet these critical accessibility requirements from the very beginning.
What Types of Commercial Fire Alarm Systems Are Available?
For new construction, two main types of fire alarm systems are typically considered: conventional and addressable. A conventional system is a more basic setup, dividing the building into broad zones. If a detector in “Zone 3” is triggered, the control panel indicates an alarm in that general area, but not the specific device. This is often suitable for smaller, simpler buildings. An addressable system, however, is more advanced. Each device (detector, pull station) has a unique “address.” When a device is activated, the control panel pinpoints the exact location of the alarm, providing first responders with precise information.
Commercial vs. Residential Detectors
It’s important to understand that the smoke detectors in your home operate very differently from those required in a commercial building. Residential detectors typically run on 120V AC power or batteries and often function as standalone units. Commercial detectors, on the other hand, are part of a complex, integrated system. They run on a 24V DC power supply and are all interconnected to a central fire alarm control panel. This means if one detector is triggered, the entire system is alerted, providing a coordinated response. Building codes mandate these robust systems for businesses to ensure the highest level of protection for both people and property. For new construction, you must install a system that meets these stringent commercial standards, which is a significant step up from residential equipment.
Wireless Fire Alarm Systems
Wireless technology offers an alternative to traditional hardwired fire alarm systems, bringing benefits like easier installation and greater flexibility, which can be ideal for buildings with unique architectural challenges. These systems use radio signals to communicate between detectors and the main control panel. While the convenience is appealing, there’s a critical trade-off to consider. To conserve battery life, some wireless devices may have a built-in signal delay, which could impact response times in an actual fire. Because of this, a thorough professional evaluation is necessary to determine if a wireless system is a safe and compliant option for your specific building. We can help you explore the right systems and weigh the pros and cons to ensure your new construction project meets all safety requirements.
Conventional vs. Addressable: Which System Is Right for You?
For most new commercial builds in the Atlanta metro area, an addressable fire alarm system is the superior choice and often required by code for larger or more complex facilities. The ability to identify the exact point of an alarm drastically reduces emergency response times and helps pinpoint the source of a potential fire. While the initial investment may be higher, the advanced diagnostics, scalability, and detailed information provided by addressable systems offer greater safety and long-term value, making them the standard for new offices, healthcare facilities, and mixed-use properties.
Pros and Cons of Addressable Systems
The biggest advantage of an addressable system is its intelligence. Each detection device has a unique address, so when an alarm is triggered, the control panel tells you exactly which smoke detector or pull station was activated and where it is. This precision is invaluable, as it allows first responders to go directly to the source of the problem, saving critical time during an emergency. These systems are also highly flexible and can be easily expanded as your business grows or your building’s layout changes. Advanced features like self-diagnostics and event logging further enhance their reliability, making these modern fire alarm systems a smart, forward-thinking investment in safety.
The primary consideration with addressable systems is the upfront cost, which is typically higher than for conventional systems. Their complexity also means they require specialized expertise for both installation and ongoing maintenance. This isn’t a system you can set and forget; it needs a professional partner to ensure it’s configured correctly and remains compliant. Additionally, these systems depend on a constant power source with a reliable battery backup to function during an outage. While these factors might seem like drawbacks, they underscore the importance of working with a qualified provider who can manage the installation and provide ongoing expert service to protect your investment.
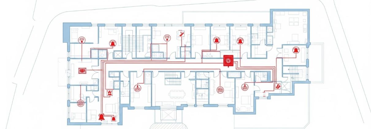
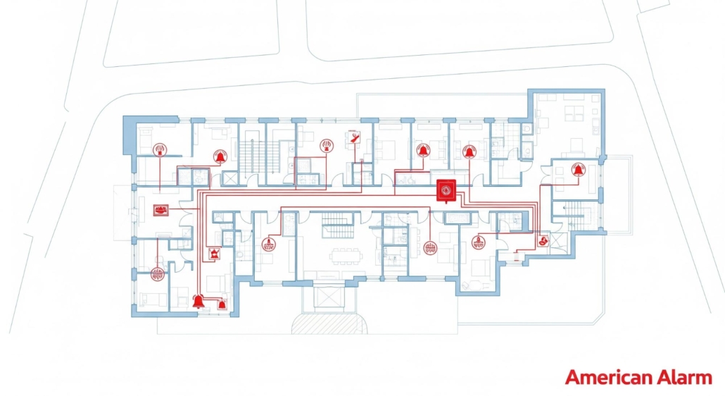
What Are the Core Components of a Fire Alarm System?
A compliant fire alarm system is a network of interconnected devices working in concert to detect and report a fire. Key components include:
- Fire Alarm Control Panel (FACP): The “brain” of the system, it monitors all connected devices, processes signals, and activates alarms.
- Initiating Devices: These are the sensors that detect signs of a fire. They include various types of smoke detectors (photoelectric, ionization), heat detectors, and manual pull stations.
- Notification Appliances: These devices alert building occupants of an emergency. They include audible alarms like horns and speakers, as well as visual alerts like strobe lights, which are crucial for ADA compliance.
- Monitoring Connections: This is the communication link, often using cellular or IP pathways, that transmits alarm signals from your FACP to a 24/7 monitoring station.
Smoke Detector Placement and Requirements
Where you place smoke and heat detectors is just as important as the quality of the devices themselves. It’s not a matter of just sticking them on the ceiling; placement is a science governed by strict codes designed for the earliest possible detection. Proper installation ensures that the entire system functions as intended, providing reliable warnings while minimizing the disruption of false alarms. For your new construction project, getting this right from the start is essential for passing inspections and, most importantly, for protecting the people and property within your building. It’s a critical step that requires precision and a deep understanding of fire safety dynamics.
NFPA Placement Rules
The National Fire Protection Association (NFPA) provides the definitive guidelines for detector placement. These rules are not one-size-fits-all; they vary based on the building’s “occupancy type”—whether it’s an office, retail space, or warehouse. A core NFPA principle is that a single smoke detector effectively covers a radius of 21 feet. General rules dictate that detectors should be installed within 12 inches of the ceiling. To prevent false alarms, they must also be placed at least 10 feet away from areas that produce steam or fumes, like commercial kitchens and bathrooms. Following these intricate rules is non-negotiable for compliance, which is why our technicians are rigorously trained on the latest NFPA fire alarm services and local code requirements.
Key Installation Details
A successful installation ensures all the core components of your fire alarm system work together flawlessly. The Fire Alarm Control Panel (FACP) must be installed in a location that is easily accessible to first responders. Initiating devices, like smoke detectors and manual pull stations, must be placed at precise intervals and locations determined by NFPA codes and the building’s layout. Notification appliances, such as horns and strobes, need to be installed to guarantee that their signals can be heard and seen throughout the entire property, meeting ADA requirements. Finally, the monitoring connection must be reliably established to link your system to our 24/7 monitoring station. Professional installation is the only way to ensure every wire, sensor, and signal works in perfect concert to protect your new building.
Advanced Fire Alarm System Features
Smart System Capabilities
Today’s fire alarm systems offer much more than just a loud siren. Smart capabilities transform them into proactive safety tools that keep you connected and in control. Imagine receiving an instant alert on your smartphone the moment a detector is triggered, allowing you to assess the situation whether you’re across town or in a meeting. These intelligent systems allow for remote diagnostics and status checks, giving you peace of mind that everything is functioning correctly without needing to be physically at the property. For business owners and property managers in Atlanta, this level of oversight is invaluable. It means faster response times, fewer disruptions from minor issues, and a direct line of sight into the safety of your building. Integrating these smart features into your new construction project ensures your property is protected by the most advanced systems and products available.
Voice Evacuation Systems
In an emergency, clear communication can be the difference between calm and chaos. While traditional horns and strobes are effective at getting attention, a voice evacuation system provides specific, actionable instructions. Instead of a startling noise that can cause confusion, these systems broadcast clear, pre-recorded or live messages guiding occupants to the safest exit routes. This is especially critical in large or complex buildings where the nearest exit isn’t always obvious. Voice commands also help combat “alarm fatigue,” a common issue where people become desensitized to frequent alarms from drills or false triggers. A human voice cuts through the noise, conveying urgency and authority that a simple siren cannot. This leads to a more orderly, efficient, and ultimately safer evacuation for everyone inside.
Multi-Threat Detection
A truly comprehensive safety strategy protects against more than just fire. Modern alarm systems can be integrated with detectors for other environmental threats, creating a unified shield for your property. The most critical of these is carbon monoxide (CO) detection. This colorless, odorless gas is a byproduct of burning fuel and can be lethal. Integrating CO detectors into your fire alarm system ensures that this silent threat is identified immediately, alerting occupants before dangerous levels accumulate. This integrated approach streamlines your building’s safety infrastructure, providing a single, reliable system to monitor for multiple dangers. At American Alarm, we design comprehensive services that ensure your new building is protected from a wide range of potential hazards, all managed through one intelligent platform.
How Do Fire Alarm Needs Change by Building Type?
Fire alarm requirements are not one-size-fits-all. The system’s design is heavily influenced by the building’s specific use, or occupancy classification. A system designed for a retail store in Smyrna will differ significantly from one for a healthcare facility in Sandy Springs.
Fire Alarm Requirements for Retail & Office Buildings
Business (Group B) and Mercantile (Group M) occupancies, such as office buildings and retail stores, typically require a comprehensive system that includes automatic smoke detection, manual pull stations at all exits, and both audible and visual notification devices to alert employees and the public. The focus is on ensuring a clear and orderly evacuation path.
Addressing Fire Safety in Warehouses and Industrial Sites
Storage (Group S) and Factory (Group F) occupancies, like warehouses in Norcross or industrial plants, present unique challenges. Large open spaces, high ceilings, and the presence of combustible materials require specialized detection strategies. This may include beam smoke detectors for large areas or advanced flame detectors, depending on the specific hazards present. The system must be robust enough to overcome ambient noise and environmental conditions.
Fire Alarm Systems for Healthcare and Institutional Buildings
In Institutional (Group I) occupancies such as hospitals and assisted living facilities, life safety is the absolute priority. These systems are the most complex, often requiring voice evacuation capabilities that provide clear, spoken instructions during an emergency. They must also integrate with other building systems, such as HVAC, to control smoke spread and door holders to facilitate evacuation.
Why Is 24/7 Professional Fire Alarm Monitoring So Important?
An unmonitored fire alarm is only a local noisemaker. For true protection, your system must be connected to a professional central station. Professional Fire Alarm Monitoring for Businesses ensures that when an alarm is triggered, a signal is immediately sent to a 24/7/365 monitoring center. Trained operators verify the alarm and dispatch the appropriate fire department, whether it’s day or night. This immediate, professional response is crucial for minimizing damage and ensuring the safety of your property, especially when the building is unoccupied.
The Importance of UL-Listed Monitoring
When selecting a monitoring service, it’s crucial to look for one that is UL-Listed. This isn’t just a fancy label; it’s a certification from Underwriters Laboratories, a globally recognized safety science company. For a central monitoring station to earn this designation, it must pass rigorous inspections and meet stringent standards for everything from its physical security and backup power systems to operator training and response procedures. Essentially, a UL-Listing is your assurance that the facility watching over your new building is reliable, secure, and built for continuous, uninterrupted operation, giving you confidence that your property is protected by the best in the business.
The practical benefit of this certification is a faster, more effective emergency response. Choosing a company that provides UL-Listed monitoring ensures high quality and quick response times, which are critical when every second counts. When an alarm signal is received, trained operators at the central station follow proven protocols to verify the emergency and dispatch the local fire department with accurate information. This level of professionalism and reliability is often a requirement for obtaining your certificate of occupancy and can also lead to lower insurance premiums. It’s a non-negotiable standard for any new commercial construction project in Georgia.
Passing Your Fire Alarm Inspection for Occupancy Approval
Before your new commercial building can open for business, the fire alarm system must pass a series of rigorous tests and inspections conducted by the local AHJ. This process verifies that every component is installed correctly and functions according to the approved design and NFPA standards. Upon successful completion, you will receive the necessary documentation, such as NFPA Certificates for Fire Alarms, which is a prerequisite for obtaining your Certificate of Occupancy. Working with a qualified partner ensures your system is built for compliance from the start, preventing costly failures at this final, critical stage.
What to Expect During a Professional Inspection
A professional fire alarm inspection is far more than a simple walkthrough. It’s a meticulous technical evaluation performed by a licensed specialist, not a general property inspector. During the inspection, a certified technician will test every single component of your system. They will check the fire alarm control panel, manually trigger smoke and heat detectors to verify their sensitivity and response time, and confirm that notification appliances like horns and strobes are functioning correctly. The technician also ensures a solid communication link to the 24/7 monitoring station. This comprehensive process confirms that your system not only meets the stringent NFPA fire alarm standards but is also ready to perform flawlessly in an actual emergency, satisfying the local AHJ’s requirements for occupancy.
Common Reasons for Inspection Failure
Failing a fire alarm inspection can lead to frustrating project delays and unexpected costs. Fortunately, most failures are preventable and stem from a few common issues. One major culprit is environmental interference; construction dust, dirt, or even minor vandalism can compromise a detector’s ability to function. Another frequent problem is improper device placement, such as failing to adhere to the 30-foot spacing rule for detectors on smooth ceilings or not accounting for obstructions. Finally, poor record-keeping is a significant red flag for inspectors. If you can’t produce complete and organized logs of past tests and maintenance, it suggests the system hasn’t been properly cared for. Partnering with an experienced provider for all your commercial security services ensures these details are managed correctly from the start, paving the way for a smooth approval process.
System Lifespan and Maintenance
Getting your fire alarm system designed and installed is a major milestone in your construction project, but the work doesn’t stop once it’s operational. A commercial fire alarm is a sophisticated piece of life-safety technology that requires ongoing attention to function correctly for years to come. Think of it less like a one-time purchase and more like a critical asset that needs regular care. Proper maintenance not only protects your investment in the system itself but also ensures it’s ready to protect your building, your inventory, and most importantly, the people inside when it matters most. This ongoing commitment is key to compliance, reliability, and peace of mind.
How Long Do Commercial Fire Alarms Last?
On average, a well-maintained commercial fire alarm system has a lifespan of about 10 to 15 years. However, this isn’t a guarantee. The actual longevity of your system depends heavily on several factors, including the quality of the initial components, the environment it operates in, and the consistency of its maintenance schedule. A system in a clean, climate-controlled office building may face fewer challenges than one in a dusty manufacturing facility. The most critical factor, by far, is proactive upkeep. Regular professional service ensures that all components are clean, functional, and up-to-date, allowing you to get the maximum effective life from your system and preventing the need for a costly premature replacement.
Required Inspections, Testing, and Maintenance (ITM)
Regular Inspections, Testing, and Maintenance (ITM) are not just best practices; they are mandated by NFPA 72 and your local Authority Having Jurisdiction. A consistent ITM schedule is essential for keeping your building compliant and ensuring your system is always ready to perform. These routine checks, which must be performed by qualified technicians, involve verifying that every detector, pull station, and notification appliance is communicating properly with the main control panel. This process helps catch potential issues early, reduces the risk of disruptive and costly false alarms, and provides the necessary documentation to keep your certifications current. At American Alarm, our comprehensive services include managing these crucial ITM requirements for Atlanta-area businesses.
Common Causes of System Damage
Even the best fire alarm systems can be compromised by external factors and neglect. Understanding the common causes of damage can help you protect your system. Environmental debris like dust and dirt can accumulate in smoke detectors, leading to false alarms or failures. Building renovations are another major culprit; construction activities can easily lead to cut wires or damaged devices if not carefully managed. Simple aging is also a factor, as electronic components naturally degrade over time. Vandalism or even accidental damage, like a forklift bumping a pull station in a warehouse, can also disable parts of the system. The most effective way to counter these risks is through a scheduled maintenance plan with a trusted partner who can identify and resolve these issues before they become critical failures.
When Should You Design Your Fire Alarm System?
The single most effective way to ensure a smooth, cost-effective fire alarm installation is to integrate it into the project’s initial design phase. Planning the system alongside architectural, electrical, and mechanical plans prevents conflicts and costly retrofitting later. When fire alarm wiring, device placement, and power requirements are considered from the ground up, the installation becomes a seamless part of the construction process, rather than an afterthought. This proactive approach saves time, reduces expenses, and guarantees a more effective and compliant final product.
Integrating Fire Alarms with Security and Access Control
Modern safety is about a holistic approach. Your new building’s fire alarm system should not operate in a vacuum. It can and should be integrated with your other security infrastructure. For example, in the event of a fire alarm, the system can automatically unlock doors controlled by your Access Control Systems Atlanta to facilitate evacuation. Your Commercial Camera Systems can be programmed to display views of the alarm area, giving you immediate visual verification. Integrating these elements creates a powerful, unified safety solution. This is a core component of the comprehensive Atlanta commercial alarm solutions we provide, ensuring all your systems work together to protect your new investment.
Integration with Building Management Systems
Beyond security-specific systems, a truly intelligent building connects its fire alarm to the central Building Management System (BMS). Think of the BMS as the operational hub that controls functions like HVAC, elevators, and lighting. When your fire alarm system is integrated with it, you create a powerful, automated emergency response. For instance, upon detecting a fire, the system can instantly command the BMS to shut down ventilation fans to prevent smoke from spreading through the ductwork. It can also recall all elevators to the ground floor to ensure they are not used during an evacuation and activate emergency lighting to clearly mark exit routes. This seamless coordination turns separate components into a unified life-safety ecosystem, ensuring every part of your building works together to protect people and property during a critical event.
Understanding the Costs of a Commercial Fire Alarm System
Budget is a major consideration in any new construction project, and the fire alarm system is a significant and necessary investment. While it’s tempting to view it as just another expense, a properly designed system is a fundamental asset that protects your property, your people, and your business’s future. The total cost isn’t a simple flat fee; it’s a tailored figure based on your building’s specific requirements. Factors like the building’s square footage, its intended use, and the complexity of the system all play a role in the final price. Understanding these variables will help you plan for a solution that is both compliant and cost-effective.
Installation and Maintenance Costs
The primary investment for your fire alarm system covers the expert design, all necessary equipment, and professional installation. Costs can vary widely depending on your building’s size and the type of system required—an advanced addressable system for a large healthcare facility will have a different price point than a more straightforward system for a small retail space. Beyond the initial setup, it’s important to factor in long-term upkeep. Consistent, professional maintenance is what ensures your system remains reliable and compliant for its entire 10-to-15-year lifespan. This includes the required annual inspections and testing, which are vital for preventing false alarms and ensuring you meet all NFPA fire alarm service standards.
Potential Insurance Benefits
While there is an upfront cost, a professionally installed and monitored commercial fire alarm system is a wise financial decision that provides long-term value. Insurance providers often view properties with certified fire protection more favorably, as these systems drastically reduce the risk of catastrophic property damage. This can translate directly into lower annual insurance premiums, helping to offset the initial investment over time. More than just a potential discount, the system is an investment in business continuity. The peace of mind that comes from knowing your new building, your assets, and your employees are protected is the most significant return. Preventing a devastating fire is the ultimate way to safeguard your investment. For a detailed quote tailored to your project, it’s always best to contact a security professional.
Your Partner for Commercial Fire Protection in North Georgia
From initial design consultation to final certification, navigating fire alarm requirements for new construction requires local expertise. At American Alarm, we have proudly served the commercial construction markets across Atlanta, Alpharetta, Roswell, Sandy Springs, Marietta, Johns Creek, Milton, Buckhead, Dunwoody, and Peachtree Corners since 1995. We understand the specific codes and AHJ expectations throughout North Georgia. If you are starting a new commercial build, it’s crucial to partner with experts who can deliver a compliant, effective, and reliable fire safety system. That’s a key reason Why Choose American Alarm. Contact American Alarm to discuss your project needs.
Get a Quote for Your Commercial Fire Alarm Installation
Don’t leave your new commercial property vulnerable. Partner with American Alarm for code-compliant fire alarm systems, designed and installed right from the start. Get a quote today and ensure your business is protected.
FAQs
What are the primary fire alarm codes for new commercial construction in Georgia? Answer: New commercial construction in Georgia must comply with the International Building Code (IBC) and International Fire Code (IFC) as adopted by the state, alongside specific requirements from NFPA 72 (National Fire Alarm and Signaling Code). Local Authorities Having Jurisdiction (AHJ) may also impose additional regional mandates. How does building occupancy classification affect fire alarm requirements for new builds in Georgia? Answer: Building occupancy classification significantly impacts fire alarm system design. For example, assembly occupancies (A) have different requirements than business (B) or storage (S) occupancies, dictating the type, placement, and density of detectors and notification devices to ensure appropriate life safety measures for specific building uses. Can a new commercial building in Georgia obtain an occupancy permit without a certified fire alarm system? Answer: No, a new commercial building in Georgia cannot legally obtain an occupancy permit without a fully installed, tested, and certified fire alarm system that meets all applicable state and local codes. This certification ensures the system is operational and compliant for public safety. When should fire alarm system design begin for a new commercial construction project? Answer: Fire alarm system design should ideally begin during the very early architectural and planning stages of new commercial construction. Integrating the system design from the outset helps avoid costly revisions, ensures seamless installation, and guarantees compliance with all necessary codes and regulations. Is ongoing monitoring required for fire alarm systems in new commercial buildings in Georgia? Answer: While initial certification is required for occupancy, ongoing 24/7 professional monitoring is highly recommended and often a requirement for many commercial occupancies in Georgia. This ensures immediate dispatch of emergency services in case of an alarm, significantly enhancing safety and property protection.




Leave a Reply
Want to join the discussion?Feel free to contribute!